Experience
TESCAN MIRA XR’s
Performance
MIRA XR delivers UHR imaging, fast elemental analysis, and smart automation - designed to keep up with the demands of research and industry.
TESCAN MIRA XR enhances analytical workflows at the nanoscale while seamlessly integrating EDS. With Extended Resolution enabled by BrightBeam™ technology and features like Dual Essence™ EDS, In-Flight Beam Tracing™, and Wide Field Optics™, MIRA XR guarantees fast, precise data acquisition.
Built for the challenges of today, and ready for what’s next: its large, scalable chamber accommodates various sample sizes and supports future upgrades, ensuring long-term adaptability.
See More, Know More
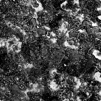
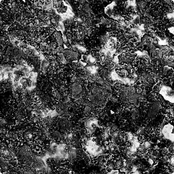
Ultra-High-Resolution Imaging
MIRA XR captures nanoscale structures with exceptional clarity, making it an essential tool for materials science, energy research, and beyond. By revealing fine surface topography and material contrasts, it enables precise analysis, driving informed decisions in both research and industrial applications.
Smarter Workflows,
Faster Results
Dual Essence™ EDS & Wide Field Optics™
Maximize productivity with MIRA XR’s Dual Essence™ EDS for high-efficiency data acquisition and Wide Field Optics™ for seamless large-area navigation. These features accelerate the identification and analysis of specific regions of interest, cutting time-to-data for SEM-EDS workflows.
Material Contrast Clarity Without Compromise
The Widest Range of BSE Detectors
MIRA XR offers a comprehensive selection of BSE detectors, delivering precise imaging across different materials. Whether analyzing contrast at low landing energies or combining phase and topographic imaging in a single scan, these detectors provide reliable, artifact-free results.
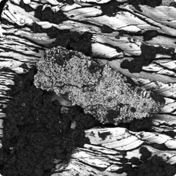
Imaging Beyond Sample Limitations
MultiVac(TM) Mode for Challenging Samples
Achieve “high vacuum-like” imaging without metal coating, even at low accelerating voltages. MIRA XR’s MultiVac(TM) mode with H₂O vapor enhances signal yield and resolution, allowing accurate, high-quality imaging of charging, outgassing, and beam-sensitive materials with minimal preparation.
MIRA XR delivers UHR imaging, fast elemental analysis, and smart automation - designed to keep up with the demands of research and industry.
TESCAN MIRA XR enhances analytical workflows at the nanoscale while seamlessly integrating EDS. With Extended Resolution enabled by BrightBeam™ technology and features like Dual Essence™ EDS, In-Flight Beam Tracing™, and Wide Field Optics™, MIRA XR guarantees fast, precise data acquisition.
Built for the challenges of today, and ready for what’s next: its large, scalable chamber accommodates various sample sizes and supports future upgrades, ensuring long-term adaptability.
See More, Know More
Ultra-High-Resolution Imaging
MIRA XR captures nanoscale structures with exceptional clarity, making it an essential tool for materials science, energy research, and beyond. By revealing fine surface topography and material contrasts, it enables precise analysis, driving informed decisions in both research and industrial applications.
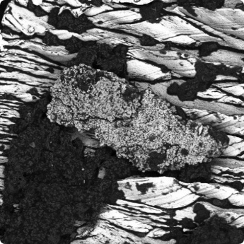
Imaging Beyond Sample Limitations
MultiVac(TM) Mode for Challenging Samples
Achieve “high vacuum-like” imaging without metal coating, even at low accelerating voltages. MIRA XR’s MultiVac(TM) mode with H₂O vapor enhances signal yield and resolution, allowing accurate, high-quality imaging of charging, outgassing, and beam-sensitive materials with minimal preparation.
Imaging Beyond Sample Limitations
MultiVac(TM) Mode for Challenging Samples
Achieve “high vacuum-like” imaging without metal coating, even at low accelerating voltages. MIRA XR’s MultiVac(TM) mode with H₂O vapor enhances signal yield and resolution, allowing accurate, high-quality imaging of charging, outgassing, and beam-sensitive materials with minimal preparation.
Built for the Future
Scalable Chamber for Advanced Capabilities
MIRA XR’s spacious analytical chamber supports current and future hardware expansions, ensuring long-term adaptability. Designed for large samples, including those over 1 kg, it seamlessly integrates additional tools like EDS and EBSD, keeping your lab future ready.
Questions?
Want a virtual demo?
Our global team is available to answer questions about TESCAN MIRA XR and other solutions from TESCAN.
A Complete Solution for Materials Research
TESCAN MIRA XR is a powerful toolset for advanced materials research, failure analysis, and next-generation manufacturing. Whether you’re optimizing alloys, refining nanomaterials, or improving energy storage solutions, MIRA XR ensures the precision, speed, and adaptability you need to stay ahead.

